中低压MOSFET管高压MOSFET管光电耦合器LDO线性稳压器运算放大器接口电路
PD快充/适配器Motor DriverPower InverterBMSE-Bike ControllerPower tools
质量方针可靠性保证质量保证
公司新闻业界新闻员工风采
企业简介企业文化组织架构发展历程
总部:江苏省无锡市梁溪区江海西路888号-C663
联系电话:13751809085
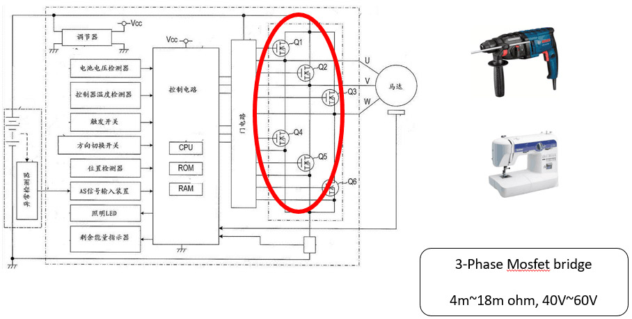
電動工具