新闻资讯NEWS
联系我们CONTACT US
总部:江苏省无锡市梁溪区江海西路888号-C663
联系电话:13751809085
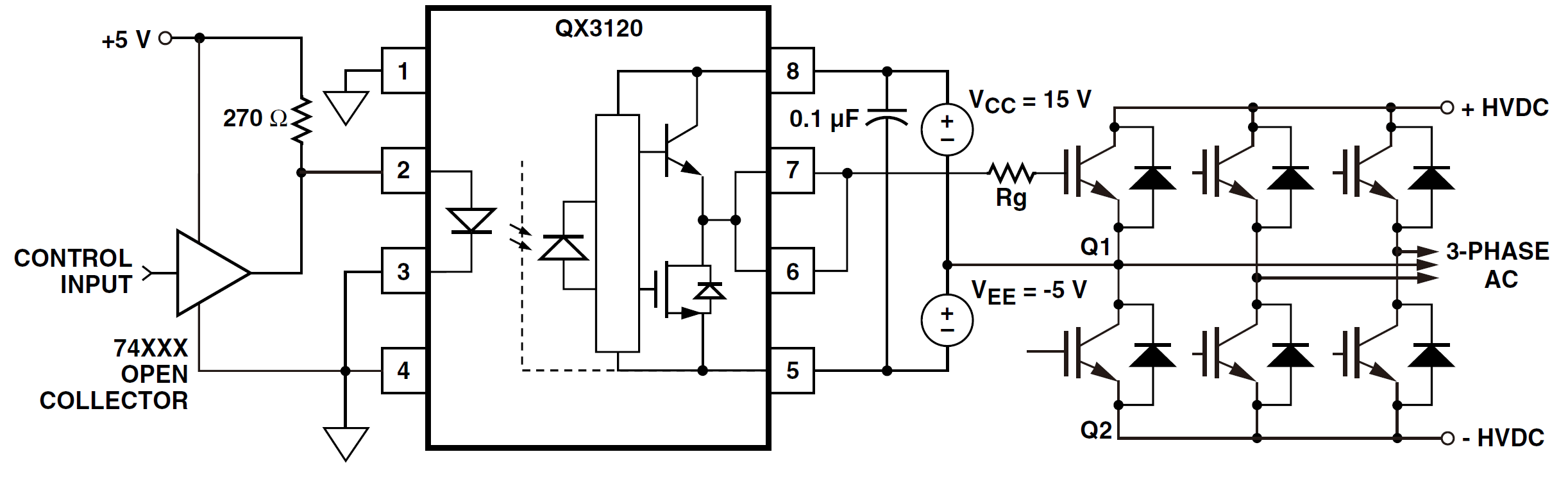
栅极驱动光耦(Gate Drive Optocoupler)
作者:admin发布时间:2025-04-15 11:22:44
栅极驱动光耦包含一个GaAsP LED,LED光耦合到一个集成电路的功率输出级。这些光耦比较适合驱动功率IGBT和Mosfet的栅极,较高的输出
电压能达到功率器件的栅级电压驱动要求。电压和电流由这些光耦提供,使他们能直接驱动高达1200V/100A的IGBT。

栅极驱动光耦用于在控制电路和高压之间提供增强的电绝缘。其抑制高共模噪声的能力可防止在高频开关期间功率半导体的误动作。其共模瞬
态耐久性最高等级为35kV/μs,可用于逆变器、伺服系统等噪声环境恶劣的工业产品应用。

产品特点:
25kV/us最小共模抑制;
2.5A峰值输出电流驱动能力,适用于最大1200V/120A的IGBT;
输出级采用P-沟道MOSFET,使输出电压振幅可接近电源端;
电源电压额定值宽至15至30V
开关速度快,延迟时间最大400ns,最大100ns的脉宽失真
带滞后的欠压闭锁
工作温度范围:- 40 ℃ to 100℃





